
一、產品簡介
CTLDE電磁流量計(衛生型電磁流量計)是一種根據法拉第電磁感應定律來測量管內導電介質體積流量的感應式儀表,采用單片機嵌入式技術,實現數字勵磁,同時在電磁流量計上采用CAN現場總線,技術達到國內先進水平。
CTLDE智能電磁流量計由傳感器和轉換器兩部分構成。它是基于法拉第電磁感應定律工作的,用來測量電導率大于5μS/cm導電液體的體積流量,是一種測量導電介質體積流量的感應式儀表。除可測量一般導電液體的體積流量外,還可用于測量強酸強堿等強腐蝕液體和泥漿、礦漿、紙漿等均勻的液固兩相懸浮液體的體積流量。廣泛應用于石油、化工、冶金、輕紡、造紙、環保、食品等工業部門及市政管理,水利建設、河流疏浚等領域的流量計量。
二、工作原理
根據法拉第電磁感應原理,在與測量管軸線和磁力線相垂直的管壁上安裝了一對檢測電極,當導電液體沿測量管軸線運動時,導電液體切割磁力線產生感應電勢,此感應電勢由兩個檢測電極檢出,數值大小與流量成正比例,其值為:
E=KBVD
式中:
E-感應電勢;
K-與磁場分布及軸向長度有關的系數;
B-磁感應強度;
V-導電液體平均流速;
D-電極間距;(測量管內直徑)
傳感器將感應電勢E作為流量信號,傳送到轉換器,經放大,變換濾波用一系列的數字處理后,用帶背光的點陣式液晶顯示瞬時流量和累積流量。轉換器有4~20mA輸出,報警輸出及頻率輸出,并設有RS-485等通訊接口,并支持HART和MODBUS協議。
三、儀表特點
■全數字量處理,抗干擾能力強,測量可靠,精度高、流量測量范圍可達150:1;
■超低EMI開關電源,適用電源電壓變化范圍大,抗EMI性能好;
■采用16位嵌入式微處理器,運算速度快,精度高,可編程頻率低頻矩形波勵磁,提高了流量測量的穩定性,功耗低;
■采用SMD器件和表面貼裝(SMT)技術,電路可靠性高;
■管道內無可動部件,無阻流部件,測量中幾乎沒有附加壓力損失;
■在現場可根據用戶實際需要在線修改量程;
■測量結果與流速分布,流體壓力,溫度、密度、粘度等物理參數無關;
■高清晰度背光LCD顯示,全中文菜單操作,使用方便,操作簡單,易學易懂;
■具有RS485、RS232、Hart和Modbus等數字通訊信號輸出;(選配)
■具有自檢與自診斷功能;
■小時總量計錄功能,以小時為單位記錄流量總量,適用于分時計量制(選配);
■內部具有三個積算器可分別顯示正向累積量反向累積量及差值積算量,內部設有不掉電時鐘,可記錄16次掉電時間。(選配);
■紅外手持操作器,115KHZ通訊速率,遠距離非接觸操作轉換器所有功能(選配)。
四、技術參數
五、儀表選型
1、選型代碼
例:選用一臺就地顯示型電磁流量計測量污水,用戶管道為DN50,分體式,要求橡膠材料襯里,不銹鋼電極,4~20mA輸出,無通訊,上限流量為30m3/h。型號應為:CTLDE-50L-M1X100-30
襯里材料
電極、接地環材料

若不能確定選用何種襯里材料及電極材料請參照第七部分“電極和襯里耐腐蝕材料一覽表”流量計外形尺寸
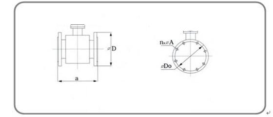
六、安裝尺寸
1.流量計安裝尺寸
2.分體式安裝尺寸
售后服務:
1、我公司所售產品在一年之內出現質量問題的(非人為因素外),免費維修。
2、產品在質保期內如用戶使用不當,造成產品損壞,我公司負責維修,收取損壞部件成本費。
3、如果用戶需要我公司現場服務,我公司以*短時間到達用戶現場。
4、本公司所售產品均享受終生維護。
西安誠通自動化設備有限公司
銷售熱線:029-88627567 18091867621李經理