

五、CT1151/3351/3051/3851LH/LP雙法蘭液位變送器選性方式

注:1、根據用戶要求內充200系列硅油使用溫度-40~+149℃;內充耐高溫硅油使用溫度-20~+315℃。
2、對腐蝕介質,選擇隔離膜片材料。
注:① 遠傳差壓變送器的靜壓和遠傳壓力變送器的工作壓力還取決于選定法蘭的規格。
② 遠傳裝置的工作溫度,由所選擇的灌充液種類確定。
③ 遠傳差壓變送器的介質溫度影響是指兩側的遠傳裝置由室溫開始同時受到相同的溫度作用,所產生的輸出變化;遠傳壓力變送器則是指一側的遠傳裝置受到溫度作用,所產生的輸出變化。
④ 靜壓和溫度影響,均是在*大量程時測得。
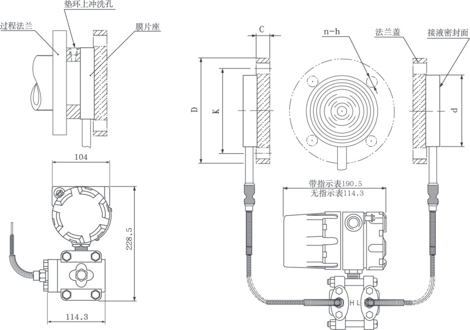
⑤ DP型遠傳差壓變送器兩側的毛細管*大長度為7.5米,兩側長度差為4.5米;GP型遠傳壓力變送器一側毛細管長度一般為1.5米,*長不宜超過3米(特殊情況協議商定)。
⑥ 詳見通用技術特性和參數、結構和材料特性、產品外形尺寸以及安裝形式。
六、外形尺寸圖
◆平法蘭式遠傳液位變送器

凸法蘭液位變送器

扁平雙法蘭液位變送器

雙法蘭連接法蘭尺寸表:

售后服務: